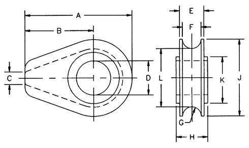
Fits pin for open wire rope socket, boom pendant clevis and wedge socket.
- Features: Greater protection against wear and deformation of the wire rope eye giving longer service life.
- Material: Cast Ductile Iron.
- Marking: Manufacturer's symbol.
Fits pin for open wire rope socket, boom pendant clevis and wedge socket.
Fits pin for open wire rope socket, boom pendant clevis and wedge socket.