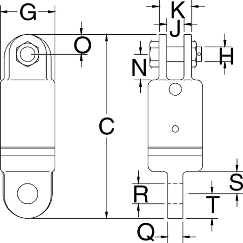
Swivel Jaw / Eye Crosby S3

Produktinformasjon

Produktegenskaper

- Egnet for hyppig rotasjon under last. - Alle svivler er individuelt prøvebelastet til 2 ganger arbeidslastgrensen (WLL). - Utstyrt med smørenippel. - Alle gafler leveres komplette med bolter, muttere og splinter. - Andre typer og kapasiteter opp til 1250

Show more

Part code:

Produktinformasjon

Produktegenskaper

- Egnet for hyppig rotasjon under last. - Alle svivler er individuelt prøvebelastet til 2 ganger arbeidslastgrensen (WLL). - Utstyrt med smørenippel. - Alle gafler leveres komplette med bolter, muttere og splinter. - Andre typer og kapasiteter opp til 1250 t tilgjengelig på forespørsel.

Andre opplysninger

  • Design: Svivel med gafler utstyrt med konisk rulletrykklager.
  • Prøvebelastning: 2x WLL
  • Marking: CE-marked
  • Note: Always check before use if your steel wire rope is suitable for use with a swivel.
  • Warning: Not to be used on demolition- (wrecking-) balls!
  • Safety factor: 5:1