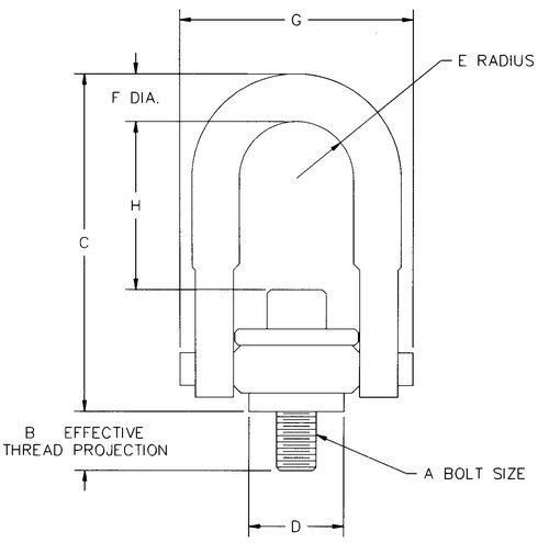
Swivel Hoist Ring HR-125 UNC


Available in UNC and Metric thread sizes.
UNC threads available in sizes fom 650 pounds to 29,000 pounds Working Load Limit, with a design factor of 5 to 1.
Metric threads available in sizes from 300kg to 13,000kg and dual rated in both a 4 to 1 and 5 to 1 design factor.
360° swivel and 180° p

Show more

Part code:

Available in UNC and Metric thread sizes.
UNC threads available in sizes fom 650 pounds to 29,000 pounds Working Load Limit, with a design factor of 5 to 1.
Metric threads available in sizes from 300kg to 13,000kg and dual rated in both a 4 to 1 and 5 to 1 design factor.
360° swivel and 180° pivot action.
100% individually proof tested to 21/2 times the Working Load Limit with certification and Statistically Magnetic Particle inspected. (Can be furnished 100% Magnetic Particle inspected when requested at time of order). Bolts are individually Proof Tested.
Fatigue rated to 20,000 cycles at 11/2 times the Working Load Limit.
Bolt is secured with patented retaining ring which requires no modification to threads. This method allows for easy disassembly and assembly of hoist ring for thorough examination of all components. Replacement kits are available.
Top washer has the following features: The Working Load Limit and Recommended Torque value are permanently stamped into each washer.
Design: Crosby
  • Features:  Rated at 100% at 90° angle
  • Material: Alloy Steel - Quenched and Tempered
  • Marking: Product Identification Code (PIC) for material traceability along with a working Load Limit and the name Crosby or “CG” stamped into it.
  • Finish: Washer is colour coded for easy identification Silver Metric thread
  • Safety factor: 5:1